Product Details
1. Main Technical Parameters:
1. Applicable substrates: Various films and composite films with thickness ranging from 0.012 to 0.023 mm;
2. Mechanical speed: 300 meters per minute;
3. Maximum membrane width: 1300 mm;
4. Minimum membrane width: 400 mm;
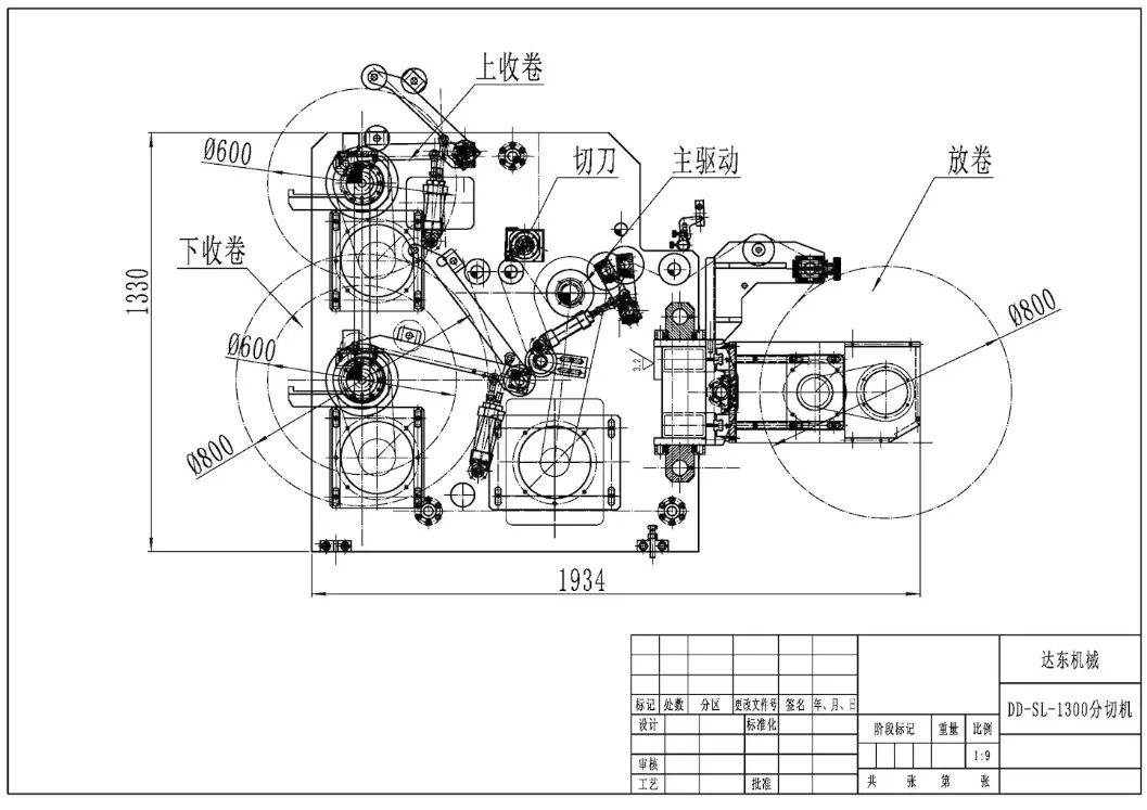
5. Maximum diameter of unwinding: 800 mm;
6. Maximum diameter of the roll: Upper shaft 500 mm, Lower shaft 800 mm;
7. Cutting width: Minimum 100 mm;
8. Equipment design: Single playback, dual reception, vertical style;
9. The thickness of the rack board is 50mm.
10. Power: Approximately 13 kw
2. Equipment Composition:
Part A - Scoring Section:
1) Axleless unwinding form.
2) Operated by PLC, driven by a 5.5kw servo motor, and the tension during unwinding is controlled by the servo motor controller.
3) Select domestic edge correction devices.
4) Drive roller: Aluminum alloy HV700 with anodized finish, diameter 80mm. It has undergone anti-oxidation treatment, anti-scratch and anti-abrasion treatment, and dynamic balance treatment with a weight less than 3g.
5) The unwinding mechanism has an automatic alignment function.
B Cutting Module:
1)Gear and worm gear adjustment for the up and down movement of the blade
2) Blade slicing method, 15 knife handles, minimum slicing width: 100mm
3) There is a knife groove roller, with a concave groove 2mm wide and a convex surface 1mm wide.
4) There are light tubes beneath the knife shaft, which can illuminate both sides of the winding and unwinding areas.
5) Edge suction structure: Equipped with one 1.5KW exhaust fan.
C Main Drive:
1) Main roller drive: 3KW servo direct drive.
2) Meter Measurement: Automatically displays the measured length and automatically stops the operation when the length setting is reached.
3) Main Roller: The main roller is in the form of a single main steel roller pressed against a rubber roller, with a dynamic balance of less than 3g.
D Grading Section:
4) Center winding, divided into upper and lower sections. The 3-inch shaft winds 2 rolls.
5) Discharge method: Complete discharge
6) The upper and lower winding rollers are equipped with pressure rollers. At both ends of the guide rollers, there are balancing adjustment devices, which are controlled by the combined pressure of cylinders.
7) When both the upper and lower axes are being wound up simultaneously: The maximum winding diameter of the upper axis is 600mm, and the maximum winding diameter of the lower axis is also 600mm.
8) During re-collating: The maximum roll diameter for the upper shaft is 800mm.
9) The upper reel is driven by a 4kW servo motor, and the lower reel is driven by a 5.5kW servo motor.
10) The parameters such as the sheet tension can be set in the touch screen main menu.
E Electrical Control:
The entire machine is controlled by SIEMENS S7-SMART PLC.
On the panel, there is a 7-inch Siemens touch screen, along with buttons for tension start, tension stop, power on, and power off.
The host speed is controlled by the potentiometer installed on the panel.
The touch screen is used to set and display the parameters of the entire machine, such as speed, constant-length deceleration, constant-length stopping, and so on.
Use Schneider Electric components. The PLC and touch screen control the overall tension of the machine.
F Pneumatic Components:
Using AIRTAC pneumatic control components and cylinders.
3、Main component suppliers
1) Electrical section
|
Name |
Manufacturer |
Model number |
Note |
|
Servo motor and driver |
Guangdong Iles |
|
|
|
Touchscreen computer screen |
SIEMENS |
Smart 700IE |
|
|
Programmable Logic Controller (PLC) |
SIEMENS |
S7-200 |
|
|
Electrical components |
Schneider (Shanghai) |
|
|
2) Mechanical part:
|
Name |
Manufacturer |
Model number |
Note |
|
Guide roller |
Taiwan joint venture |
Φ80mm |
|
|
Inflatable shaft |
Zhongshan Xiangtai |
|
|
|
Synchronous belt |
Fulong |
|
|
|
The bearings of all rollers |
Harbin Bearings |
|
|
3) Pneumatic part:
|
Name |
Manufacturer |
Model number |
Note |
|
Cylinder |
Airtac |
|
|
|
Electromagnetic valve, connector, triplex assembly |
Airtac |
|
|

Previous: No More